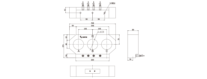
产品简介:产品概述 ELSY-10型电子式电流互感器主要和10kV环网柜配套使用,用于三相电流和零序电流的测量和保护。该互感器二次输出为电压信号,


| 环境温度 | 40 ℃—70 ℃ | 海拔温度 | ≤3000 m |
| 日平均温度 | ≤40 ℃ | 相对湿度 | 90% |
| 电压等级 | 10 kV | 额定频率 | 50 Hz | |
| 工频耐压 | 3 kV/1min | 短时耐受电流 | 40 kA/1s | |
| 相序电流互感器 | ||||
| 额定一次电流 | 20-1000 A | 额定二次输出 | 0.15V,0.225V,1V,4V | |
| 准确级 | 测量 | 0.2S,0.2,0.5 | 负载阻抗 | ≥20 kΩ |
| 保护 | 5P,10P | |||
| 零序电流互感器 | ||||
| 额定一次电流 | 20 A | 额定二次输出 | 0.2 V | |
| 准确级 | 1 级,3 级 | 负载阻抗 | ≥20 kΩ | |
| 执行标准 | IEC60044-8 , GB/T20840.8 | |||
